FLEX svellebånd, 220 mm
Kr. 20
TILLIG-ELITE-skinnerne er firma TILLIG Modellbahnen’s TOP-serie af skinner i spor-H0.
Med dette skinnesystem kan du bygge omfattende modeljernbaneanlæg, som kommer tæt på det forbilledlige skinnesystem fra ”det virkelige liv”, uden selv at skulle bygge skinnerne helt fra bunden.
TILLIG-ELITE systemet’s alsidighed gør det lige så velegnet til både store og små anlæg.
TILLIG-ELITE systemet tilbyder forskellige sporskiftestørrelser som giver mange muligheder med systemets standard skiftespor og kryds.
Desuden tilbydes skiftespor i et FLEX-system, så man kan tilpasse skiftespor så de afviger fra standard geometrien.
Med FLEX-skinner, FLEX-svellebånd og løse skinneprofiler, kan man selv bygge og tilpasse skinner præcist til det layout man ønsker.
Skiftespor findes også som byggesæt, hvilket dem skiftesporene prisbillige.
LINK til TILLIG ELITE skinnegeometri
TILLIG-ELITE skinner er velegnet til:
· NEM hjulsæt
· RP 25 hjulsæt
· Ældre køretøjer med hjulflanger op til ca. 1,2 mm
Geometrien er tilpasset til brug med lokomotiver og vogne i korrekt skala længde.
TILLIG-ELITE skinner er med sit store udvalg af ”standard” skinner og skiftespor, samt et stort udvalg af FLEX-skinner og -skiftespor, ideel til et layout efter egne individuelle ønsker og behov.
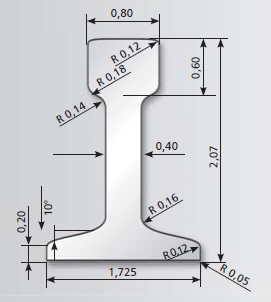
TILLIG-ELITE skinner har en lav skinneprofil på 2,07 mm med en brede på 0,8 mm på skinnehovedet.
Skinner og lasker er bruneret med en brunlig farve som minder om rustdannelserne på ”de rigtige” skinner.
Bolte og klemmer svaret til den typiske K-skinneoverbygning
Skiftesporene har fjederbelastede tunger i stedet for leddelt tunger, som skiftesporene har i ”det virkelige liv”.
LINK til TILLIG ELITE geometri
Basislængden på lige spor er 228 mm.
Standard spor afstand (parallelspor) er 59 mm.
Standard kurveradier er 366, 425, 484, 543 mm (hver skinne udgør en vinkel på 30°).
Med flexskinner kan en hvilken som helst radius opbygges, specielt velegnet til bløde kurver.


Specifikationer
Pris pr. stk. 20,00 kr.
Skala Spor H0 = 1:87
Fabrikat TILLIG
TILLIG varenummer 85025
Internt varenummer #85025
Længde 220 mm
Stand Fabriksny
Æske